Up PIC12F1822 : ピン配置 作成: 2021-01-16
更新: 2021-01-19


ツール・ラボ「PICマイコン電子工作入門 : 基礎編」 より


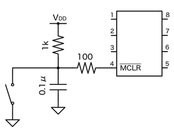
  • MCLR (Master Clear)
    • ハードウエアリセット用──外部からのリセット信号を,このピンで受け取る。
      この目的で用いるときは,プログラムの configuration でつぎのように設定:
        #pragma config MCLRE = ON
    • リセットスイッチ回路


    • MCLRE = OFF に設定すると,入出力用ピン RA3 として使用できる。


  • クロックに関するピン
      クロックに関する機能は,以下のように割り当てられている: